プラスチックファスナー製品
コードロッククランプ RCLCシリーズ

特長
- 蓋を閉まりきるところまで閉めるだけで電源コードなどが固定できます。力強く閉めつける必要はありません。
- 機器側の電源コードプラグなどが外れないようズレ防止に役立ちます。
- 取り外しも可能です。
* ケーブルが固定できるのは片方向のみです。
材質 |
| PA6(UL94V-0) |
適用板厚 |
| t0.8~t1.6mm |
色 |
| 黒 |
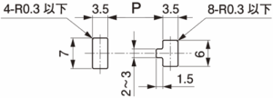
取付孔 |
![]() |
オリジナル製品の受託開発も承っております
製品についてのお問い合わせCONTACT
- 03-3727-7721平日9:30〜17:00
- お問い合わせフォーム24時間いつでも受付


リユースロッキングクランプ RLWCシリーズ
リユースロッキングクランプ RLWTシリーズ
リユースロッキングミニクランプ RLMSシリーズ
リユースロッキングスライドクランプ RLSCシリーズ